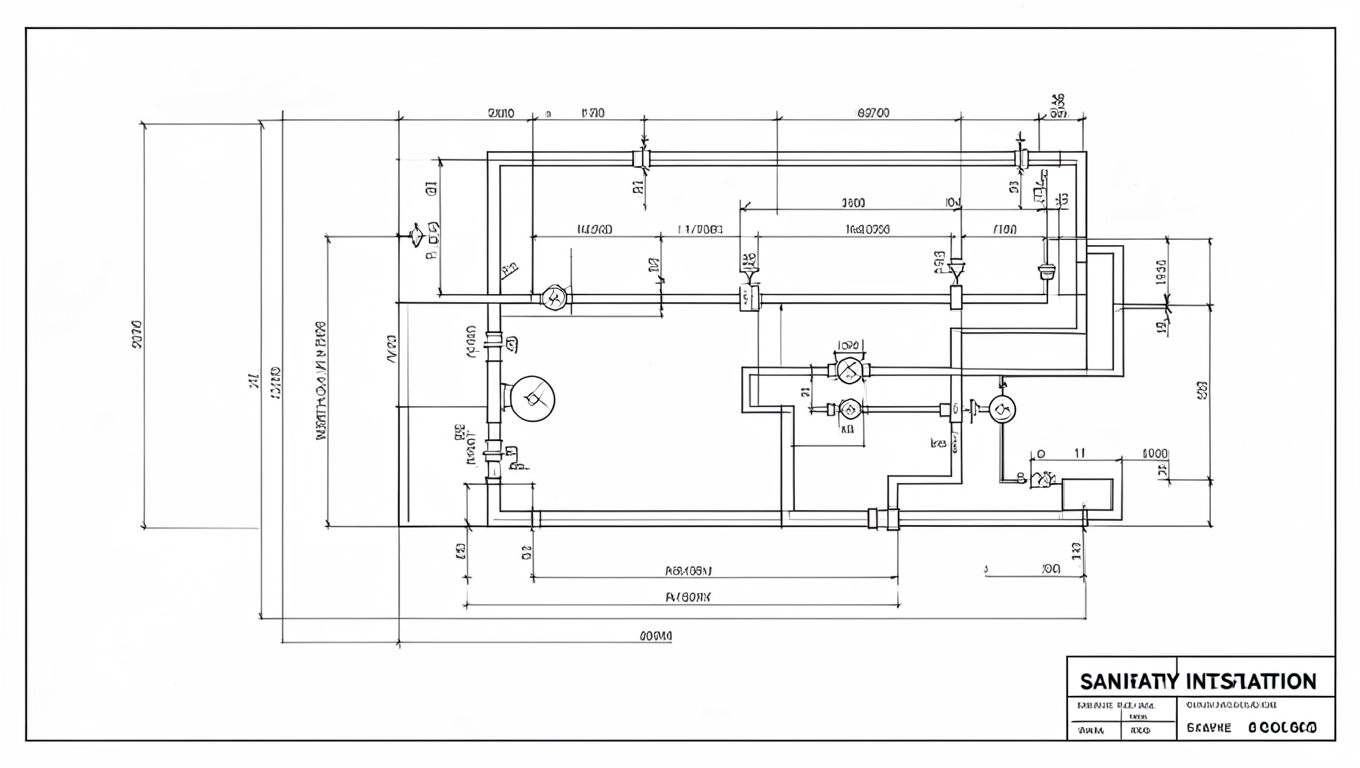
Schemat Instalacji Sanitarnej w Domu Parterowym 2025
W dzisiejszych czasach budowa domu parterowego to prawdziwa sztuka, a jej sercem – niewidzialnym, ale absolutnie kluczowym elementem – jest schemat instalacji sanitarnej w domu parterowym. Czy wiesz, że odpowiednie zaplanowanie i wykonanie instalacji wodno-kanalizacyjnych w domu to fundament, na którym opiera się komfort i funkcjonalność całego budynku? To jak dobrze ułożona ścieżka zdrowia, która dba o każdy aspekt naszego codziennego życia. Zanurzmy się w świat rur, przyłączy i odpowietrzeń, aby odkryć, dlaczego ten pozornie prosty schemat jest tak skomplikowany, ale jednocześnie tak satysfakcjonujący w swej precyzji.

- Wodne i Kanalizacyjne Instalacje w Podłodze: Wykonanie
- Wybór Materiałów: Rury i Stelaże w Instalacji Sanitarnej
- Punkty Przyłączenia i Odpowietrzenie Kanalizacji
- Q&A: Schemat instalacji sanitarnej w domu parterowym
Zapewnienie prawidłowego funkcjonowania instalacji sanitarnej w domu parterowym wymaga analizy wielu czynników. Odpowiednie rozmieszczenie pionów, odpływów, i punktów czerpalnych jest kluczowe, aby zminimalizować spadki ciśnienia i ryzyko zatorów. Na etapie projektu należy uwzględnić specyfikę gruntu oraz poziom wód gruntowych, co może wpłynąć na wybór odpowiedniego systemu odprowadzenia ścieków.
| Aspekt analizy | Wskaźnik/Dane | Wpływ na instalację | Zalecane działanie |
|---|---|---|---|
| Rodzaj gruntu | Przepuszczalność (m3/s) | Wybór systemu drenażu, izolacja rur | Badanie geologiczne |
| Poziom wód gruntowych | Głębokość (metry) | Konieczność zastosowania pomp, systemów antyzalewowych | Monitorowanie poziomu wody |
| Średnie zużycie wody (osoba/dzień) | 150 litrów (dane statystyczne) | Dobór średnicy rur, pojemności zbiorników | Planowanie na podstawie danych z GUS |
| Częstotliwość występowania zatorów | Brak regularnych badań ogólnopolskich, zależne od materiałów i użytkowania | Wybór materiałów rur (PVC vs. PP), prawidłowe spadki | Edukacja użytkowników, regularne przeglądy |
Kiedy mówimy o skomplikowanej orkiestrze, jaką jest instalacja wodno-kanalizacyjna, musimy pamiętać o precyzji i koordynacji każdego elementu. To nie tylko układanie rur, to tworzenie symfonii, gdzie każdy dźwięk (a raczej każda kropla wody) płynie w idealnej harmonii. Każdy element musi być dokładnie przemyślany i odpowiednio zlokalizowany, aby uniknąć frustracji i kosztownych poprawek w przyszłości. Niezależnie od tego, czy mówimy o nowo budowanym domu, czy modernizacji istniejącej konstrukcji, precyzyjny schemat jest gwarancją długowieczności i niezawodności całego systemu.
Wodne i Kanalizacyjne Instalacje w Podłodze: Wykonanie
Wykonanie instalacji wodno-kanalizacyjnych w podłodze to kluczowy etap budowy domu, wymagający niezwykłej precyzji i uwagi do detali. Ten niewidzialny, a jednak fundamentalny szkielet, ukryty pod warstwą betonu, decyduje o komforcie użytkowania i niezawodności całego systemu sanitarnego na długie lata. Czy kiedykolwiek zastanawiałeś się, co kryje się pod Twoimi stopami, gdy korzystasz z łazienki czy kuchni?
Zobacz także: Instalacja Offgrid z Akumulatorem: Schemat i Korzyści 2025
Pierwszym krokiem jest dokładne zaplanowanie przebiegu rur. To nie lada wyzwanie, przypominające trochę grę w "Tetrysa" w trzech wymiarach. Każda rura musi mieć odpowiedni spadek, zapewniający efektywne odprowadzenie ścieków grawitacyjnie, eliminując ryzyko zastojów i nieprzyjemnych zapachów. Standardowe spadki dla rur kanalizacyjnych wynoszą zazwyczaj od 2% do 3%, czyli 2-3 cm na każdy metr długości rury. Precyzja w tym zakresie jest nie do przecenienia – zbyt mały spadek spowoduje osadzanie się osadów, a zbyt duży może prowadzić do szybkiego odpływu wody, pozostawiając stałe zanieczyszczenia.
Następnie przychodzi moment układania rur w warstwie izolacji podłogowej. Rury wodne, zwłaszcza te prowadzące ciepłą wodę, muszą być starannie zaizolowane, aby zminimalizować straty ciepła i zapobiec kondensacji pary wodnej. Izolacja z pianki polietylenowej o grubości minimum 9 mm jest standardem i gwarantuje efektywność. To tak jakbyś owijał swoje cenne prezenty, by nic im się nie stało w podróży, tylko że tu cenną rzeczą jest temperatura wody i brak wilgoci.
Rury kanalizacyjne natomiast, mimo że nie wymagają izolacji termicznej, muszą być ułożone z uwzględnieniem minimalnego zakrzywienia, aby uniknąć pęknięć pod wpływem ciężaru betonu. Pamiętaj, że wylewka betonowa to spory ciężar – 20 cm wylewki to około 400 kg na metr kwadratowy! Każdy element musi być odpowiednio podparty i zabezpieczony, by przetrwać taką próbę wytrzymałości. Tutaj nie ma miejsca na "jakoś to będzie", musi być "na pewno będzie".
Zobacz także: Instalacja wodna w domu – schematy i prowadzenie
Kolejnym, arcyważnym etapem jest sprawdzenie wysokości posadzki. Musimy pamiętać, że instalacja rur nie może wchodzić w kolizję z planowanym poziomem wykończonej podłogi. Odchyłki od poziomu mogą skutkować koniecznością zastosowania grubszej warstwy wylewki, co z kolei oznacza dodatkowe koszty i obciążenie konstrukcji. Wyobraź sobie, że montujesz drzwiczki szafki, a okazuje się, że są za wysokie – podobnie jest z rurami, tylko konsekwencje są znacznie poważniejsze. Dlatego referencyjnym punktem, na przykład tarasowym, należy posłużyć się do precyzyjnego wyznaczenia poziomu w całej stodole (czytaj: domu parterowym).
Przed zalaniem rur betonem, bezwzględnie należy przeprowadzić test szczelności. Taki test to moment prawdy, który pozwoli wykryć wszelkie, nawet najmniejsze nieszczelności, które na późniejszym etapie byłyby niezwykle trudne i kosztowne do usunięcia. Test ciśnieniowy, przeprowadzany z użyciem wody pod ciśnieniem lub powietrza, jest nieodzowny. Jak w przysłowiu "lepiej dmuchać na zimne" – w tym przypadku, to dosłownie dmuchamy, by uniknąć problemów.
Nie zapominajmy także o otulinach ochronnych dla rur wodnych. Otulina z pianki polietylenowej lub kauczukowej, poza izolacją termiczną, pełni również funkcję ochronną przed mechanicznym uszkodzeniem rur podczas zalewania betonem. Ponadto, zapobiega ona przenoszeniu drgań i hałasu, co zwiększa komfort akustyczny w budynku. Średnia grubość otuliny dla rur wodnych powinna wynosić 9 mm dla rur o średnicy od 15 mm do 22 mm, natomiast dla większych średnic, jak 28 mm czy 35 mm, zaleca się otuliny o grubości 13 mm lub nawet 19 mm.
Precyzyjne wytrasowanie i oznaczenie wszystkich punktów wyjść rur do armatury jest absolutnie kluczowe. To nie jest kwestia „na oko”, ale milimetrowej precyzji. Jeśli rury są do łazienki, musimy przewidzieć, gdzie dokładnie znajdzie się bateria umywalkowa, prysznic, wanna czy toaleta. Błąd na tym etapie może skończyć się tym, że armatura będzie zamontowana krzywo lub co gorsza, w ogóle nie da się jej prawidłowo podłączyć. Każdy schemat instalacji sanitarnej w domu parterowym jest jak mapa skarbów, gdzie każdy X to miejsce na Twoje przyszłe luksusowe SPA.
Ostatnim, lecz równie ważnym krokiem jest sporządzenie dokładnej dokumentacji fotograficznej lub wideo przed zalaniem. W przyszłości, gdy zajdzie potrzeba naprawy lub modyfikacji instalacji wodno-kanalizacyjnych, taka dokumentacja będzie bezcennym źródłem informacji. Zapewne znasz powiedzenie: "jeden obraz wart tysiąca słów". W tym przypadku, to obraz ukrytych rur, który zaoszczędzi tysięcy złotych i nerwów w przyszłości. Pamiętaj, to inwestycja w Twój spokój ducha!
Sumarycznie, wykonanie instalacji wodno-kanalizacyjnych w podłodze to zadanie, które wymaga nie tylko fachowej wiedzy i doświadczenia, ale także precyzji i dbałości o każdy szczegół. W końcu to inwestycja, która ma służyć przez wiele lat, zapewniając komfort i bezpieczeństwo mieszkańcom. Zastosowanie odpowiednich materiałów, przestrzeganie norm i wykonanie testów szczelności to gwarancja sukcesu w budowie instalacji sanitarnych.
Wybór Materiałów: Rury i Stelaże w Instalacji Sanitarnej
Wybór odpowiednich materiałów do instalacji sanitarnych to niczym casting do filmowego hitu – od ich właściwości zależą funkcjonalność i długowieczność całej produkcji. Jeśli budujesz dom, szczególnie parterowy, musisz stać się prawdziwym ekspertem od tworzyw sztucznych, metali i technologii łączenia, bo od tego zależy spokój Twojego sumienia na najbliższe dekady. Dziś skupimy się na dwóch głównych gwiazdach – rurach i stelażach podtynkowych.
Współczesna instalacja wodno-kanalizacyjna bazuje przede wszystkim na tworzywach sztucznych, a dominującym materiałem są rury polipropylenowe (PP). To obecnie standard, i słusznie. Dlaczego akurat PP? Po pierwsze, rury te są niezwykle odporne na korozję, co eliminuje problem rdzy i osadów, charakterystyczny dla starych instalacji stalowych. Wartość tego aspektu docenia się szczególnie w perspektywie długotrwałego użytkowania – brak zatkanych rur i problemów z jakością wody to prawdziwa ulga.
Po drugie, polipropylen charakteryzuje się odpornością na działanie wysokich temperatur (do 95°C), co sprawia, że idealnie nadaje się do transportu ciepłej wody. Ta właściwość jest kluczowa w systemach centralnego ogrzewania i ciepłej wody użytkowej. Rury te są również dosyć sztywne, co ułatwia ich układanie i zapewnia stabilność całej konstrukcji. Pamiętaj, że system kanalizacji sanitarnej to dynamiczny organizm, który musi być stabilny i odporny na zmienne warunki. Często wybierane są systemy od uznanych producentów, co gwarantuje jakość i kompatybilność elementów.
Inaczej ma się sprawa z rurami kanalizacyjnymi. Te również wykonane są z polipropylenu, ale często w nieco innych odmianach, zoptymalizowanych pod kątem odporności na ścieki i zjawiska akustyczne. Średnice rur kanalizacyjnych są precyzyjnie określone w normach, np. fi 110 mm dla pionów głównych, fi 50 mm dla odpływów z umywalek i brodzików, oraz fi 32 mm dla odpływów z bidetów. Wybór odpowiedniej średnicy to gwarancja, że nie będziesz borykał się z problemem zapychających się rur. Zaufaj mi, nikt nie lubi hydraulicznych awarii w piątkowy wieczór!
A co ze stelażami podtynkowymi? To absolutna rewolucja w nowoczesnych łazienkach, zmieniająca wygląd toalety z archaicznego postumentu w elegancką i minimalistyczną formę. Stelaże te są projektowane do montażu toalet wiszących, ukrywając spłuczkę i rury w ścianie. To prawdziwy hit aranżacyjny, który pozwala na łatwiejsze utrzymanie czystości i optyczne powiększenie przestrzeni.
Warto zwrócić uwagę na stelaże wyposażone w odciągi powietrza, zwłaszcza te, które są integralną częścią systemu spłukującego. Mechanizmy te, często z filtrami węglowymi, skutecznie neutralizują nieprzyjemne zapachy, zapobiegając ich wydostawaniu się na zewnątrz. To jak osobisty „ninja” w Twojej łazience, który dba o świeże powietrze, nawet gdy Ty zapomnisz o wietrzeniu.
Kiedyś instalacja wodno-kanalizacyjna wyglądała niczym pajęczyna z metalowych rur biegnąca po ścianach, często na wierzchu, oszpecając pomieszczenie. Dziś to ukryta armia rur i złączek, pracująca cicho i niezawodnie w murach. Wykonanie instalacji wodno-kanalizacyjnych w łazience w dwóch etapach jest często praktykowane – najpierw wykonuje się wyjścia ze ścian przed tynkowaniem, a w drugim etapie, po tynkowaniu i układaniu płytek, montuje się stelaże i dokończa połączenia z armaturą. To pozwala na elastyczność i precyzyjne dopasowanie instalacji do finalnego wyglądu łazienki.
Pamiętaj, że inwestowanie w wysokiej jakości materiały i profesjonalny montaż to oszczędność na przyszłość. Niskiej jakości rury mogą pękać, a źle zamontowane stelaże mogą prowadzić do przecieków i kosztownych napraw. To nie jest miejsce na oszczędności „na zapałki”. Właściwy wybór rur i stelaży jest kluczowym elementem w budowie niezawodnego i funkcjonalnego schematu instalacji sanitarnej w domu parterowym. Tego elementu nie zobaczysz, ale bez niego, dom nie zadziała jak należy.
Rozmiary i ceny rur polipropylenowych mogą się różnić w zależności od producenta i przeznaczenia. Na przykład, rura PP do wody zimnej fi 20 mm kosztuje około 3-5 zł za metr bieżący, natomiast rura do wody ciepłej fi 25 mm z izolacją może kosztować już 6-9 zł za metr. Rury kanalizacyjne fi 50 mm to wydatek rzędu 4-7 zł za metr, a fi 110 mm – 8-12 zł za metr. Stelaż podtynkowy renomowanego producenta to inwestycja w przedziale 400-1000 zł, w zależności od funkcji (np. z odciągiem zapachów).
Punkty Przyłączenia i Odpowietrzenie Kanalizacji
Zakończenie pracy nad schematem instalacji sanitarnej w domu parterowym to moment, w którym dopieszczamy szczegóły – czyli skupiamy się na punktach przyłączenia i odpowietrzeniu kanalizacji. To właśnie te elementy, choć często niedoceniane, mają gigantyczny wpływ na komfort użytkowania i niezawodność całego systemu. Wyobraź sobie idealnie sprawną kuchnię czy łazienkę – to zasługa m.in. właśnie tych, niewidocznych na pierwszy rzut oka, komponentów.
Zaczynając od punktów przyłączenia, warto zastanowić się nad dodatkowymi potrzebami. Podstawowe punkty do kuchni i łazienek to oczywistość. Ale czy pomyślałeś o zewnętrznych punktach czerpalnych do podlewania ogrodu? A co z punktem gospodarczym w kotłowni czy pralni? Brak takiego punktu, to jak organizowanie pikniku bez widelców – niby się da, ale jest dużo mniej wygodnie. Te dodatkowe przyłącza wodne to małe luksusy, które znacznie ułatwią codzienne życie, oszczędzając Ci trudu ciągnięcia węży przez cały dom.
Niezwykle ważne jest również zapewnienie prawidłowego odpowietrzenia kanalizacji. Dlaczego to takie ważne? Ponieważ niewłaściwie odpowietrzony system to przepis na hydrauliczną katastrofę – a dokładniej na nieprzyjemne zapachy w łazience i syfonach "strzelających" niczym petardy. W przypadku domu parterowego, z reguły wystarczy jeden główny szacht instalacyjny i jedna główna rura pionowa, która obsługuje wszystkie pomieszczenia. Ta rura musi być wyprowadzona ponad dach, aby zapewnić swobodny dopływ powietrza i uniknąć powstawania podciśnienia w rurach kanalizacyjnych.
Często łączy się odpowietrzenie kanalizacji z specjalnymi dachówkami napowietrzającymi. To sprytne rozwiązanie, które nie tylko estetycznie wtapia się w pokrycie dachowe, ale także chroni system przed przedostawaniem się do niego opadów atmosferycznych i zanieczyszczeń. Wybierając taką dachówkę, pamiętaj, że powinna być ona dopasowana do konkretnego modelu i koloru pozostałych dachówek – detal, który świadczy o dbałości o każdy szczegół projektu. Takie rozwiązanie zapewnia nie tylko odpowiednie funkcjonowanie systemu, ale również dyskrecję, eliminując potrzebę wyprowadzania brzydkiej rury przez połać dachową.
Prawidłowe odpowietrzenie kanalizacji zapobiega syfonowaniu, czyli zjawisku wysysania wody z syfonów pod wpływem podciśnienia, co prowadzi do uwalniania się nieprzyjemnych zapachów do pomieszczeń. Co więcej, umożliwia swobodny przepływ powietrza, co przyspiesza spływ ścieków i zapobiega gromadzeniu się gazów w systemie. Bez tego, możesz czuć się, jakbyś miał małą, osobistą bombę zapachową w łazience. To naprawdę prosta inwestycja, która znacząco podnosi jakość życia w domu.
Warto zaznaczyć, że w systemach instalacji wodno-kanalizacyjnych, szczególną uwagę należy zwrócić na nagromadzenie punktów odpływowych. Im więcej urządzeń w jednym miejscu (np. dwie łazienki obok siebie, plus kuchnia), tym większe jest ryzyko powstania podciśnienia. W takich przypadkach, czasami konieczne jest zastosowanie dodatkowych zaworów napowietrzających, montowanych bezpośrednio przy urządzeniach. Są to małe, ale niezwykle skuteczne elementy, które zasysają powietrze do systemu, gdy ciśnienie spada, a tym samym zapobiegają syfonowaniu.
Pamiętaj o konserwacji odpowietrzania – regularnie sprawdzaj, czy wylot rury odpowietrzającej na dachu nie jest zatkany liśćmi, śniegiem lub lodem. Takie zatory mogą skutecznie zniweczyć cały wysiłek włożony w prawidłowe wykonanie instalacji, doprowadzając do niepożądanych efektów. To jak sprawdzenie, czy Twoje rynny nie są zatkane – prosta czynność, która zapobiega wielu problemom.
Podsumowując, dbałość o punkty przyłączenia i odpowietrzenie kanalizacji to inwestycja w funkcjonalność i komfort Twojego domu. Te „niewidzialne” elementy są tak samo ważne jak estetyczne wykończenia, a ich prawidłowe wykonanie gwarantuje długotrwałe i bezproblemowe użytkowanie instalacji sanitarnych. Nierzadko spotyka się przypadki, gdy brakuje kilku centymetrów do spadku kanalizacji. Taka mała zmiana powoduje wielki kłopot. Profesjonalne podejście na każdym etapie projektu i wykonawstwa to gwarancja, że instalacje wodno-kanalizacyjne będą działać bez zarzutu przez lata.
Jako specjaliści wiemy, że precyzja i doświadczenie są kluczowe w każdej fazie instalacji sanitarnej. Pamiętaj, aby wszelkie prace powierzać wykwalifikowanym fachowcom, którzy zadbają o każdy szczegół Twojej instalacji. Dobre praktyki i przestrzeganie norm to podstawa. Niezależnie od tego, czy Twój dom będzie tradycyjny czy nowoczesny, schemat instalacji sanitarnej w domu parterowym jest jak serce, które pompuje życie do każdego zakamarka Twojego domu.
Q&A: Schemat instalacji sanitarnej w domu parterowym
P: Czym jest schemat instalacji sanitarnej w domu parterowym i dlaczego jest tak ważny?
O: To szczegółowy plan rozmieszczenia wszystkich elementów instalacji wodno-kanalizacyjnych, czyli rur, przyłączy, odpływów i armatury, w domu parterowym. Jest kluczowy, ponieważ prawidłowe zaplanowanie i wykonanie tych systemów gwarantuje komfort użytkowania, bezproblemowe funkcjonowanie i długowieczność całej instalacji sanitarnych, zapobiegając awariom i kosztownym naprawom.
P: Jakie materiały są najczęściej wykorzystywane do budowy instalacji wodnych i kanalizacyjnych?
O: Obecnie dominującym materiałem są rury polipropylenowe (PP) zarówno do instalacji wodnych, jak i kanalizacyjnych. Są odporne na korozję, wysokie temperatury i stosunkowo sztywne, co ułatwia montaż. Do montażu toalet wiszących stosuje się również stelaże podtynkowe.
P: Dlaczego izolacja rur wodnych w podłodze jest tak istotna?
O: Izolacja rur wodnych, zwłaszcza ciepłej wody, w warstwie izolacji podłogowej jest kluczowa dla minimalizacji strat ciepła oraz zapobiegania kondensacji pary wodnej. Zapobiega to również potencjalnym problemom z wilgocią i zwiększa efektywność energetyczną systemu, co przekłada się na niższe rachunki za ogrzewanie wody.
P: Co to jest odpowietrzenie kanalizacji i jaką pełni funkcję?
O: Odpowietrzenie kanalizacji to system rur wyprowadzonych ponad dach, który zapewnia swobodny dopływ powietrza do systemu kanalizacyjnego. Jego główną funkcją jest zapobieganie powstawaniu podciśnienia, co z kolei chroni przed syfonowaniem (wysysaniem wody z syfonów) i uwalnianiem się nieprzyjemnych zapachów z kanalizacji do wnętrza domu. Umożliwia także sprawniejszy przepływ ścieków.
P: Czy warto uwzględniać dodatkowe punkty przyłączenia wody w projekcie domu parterowego?
O: Zdecydowanie tak. Oprócz standardowych przyłączy w kuchni i łazienkach, warto przewidzieć zewnętrzne punkty czerpalne do podlewania ogrodu, a także punkty gospodarcze w pralni czy kotłowni. To znacznie zwiększa funkcjonalność domu, ułatwiając codzienne czynności i eliminując potrzebę improwizowania z wężami i przedłużaczami.